
美國科美ShowPro電動環鏈葫蘆產品介紹:
美國科美ShowPro電動環鏈葫蘆由全球舞臺專用的主要制造商COLUMBUS McKINNON設計制造適用于所有的吊掛需求。
美國科美ShowPro電動環鏈葫蘆的外殼采用鋁制外殼,自重輕,外形美觀;特有的五孔起重鏈輪,使鏈條提升平穩;配有超載保護離合器,能在發生超載時保護操作者的安全和產品不受損壞;該電動葫蘆安全性高,使用安全可靠,客戶可以放心使用。
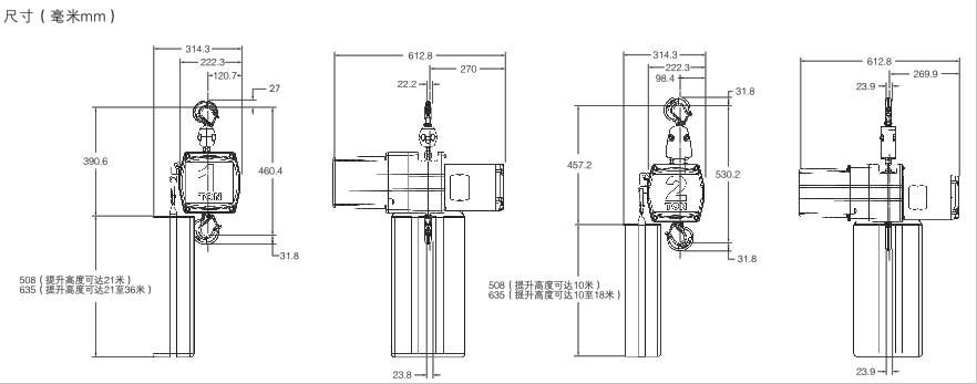
美國科美ShowPro電動環鏈葫蘆結構圖:

美國科美ShowPro電動環鏈葫蘆技術參數:
以上內容由方工起重機械設備有限公司整理提供
相關文章:

